
Cassification
更新時間:2025-04-02
瀏覽次數:258【摘要】光伏發電技術迅猛發展,光伏電站及分布式光伏使光伏發電走進千家萬戶。然而光伏發電設備運行期間仍存在隱患。及時發現并解決常見異常運行故障,可以很大地提高光伏發電設備可利用率,是保證光伏發電設備正常運行、滿足收益要求的保障。
【關鍵詞】光伏電站;絕緣阻抗異常;太陽能
0.概述
光伏發電是依托電力電子技術,利用太陽光照將太陽能轉化為電能的系統。光伏發電不需要使用化石燃料,減少了發電時產生的污染,并且減少了能源消耗。光伏發電依托政策扶持,快速在國內普及。光伏發電與傳統火電發電原理不同,因為沒有旋轉機械,光伏發電設備故障率較低,不需要實時監視維護,所以光伏發電系統也可安裝在民居屋頂,百姓也可以享受發電紅利。隨著光伏裝機容量的不斷擴大光伏運維檢修人才短缺的問題逐漸顯現,這導致光伏電站故障處理效率較低,達不到預期收益率。因此相關人員要對光伏發電常見故障進行充分了解和分析,建立起科學的運維管理模式及故障排查處理方法。
1.光伏發電系統
大型地面光伏電站是由光伏組件、支架、逆變器、匯流箱、升壓變等設備組成。光伏組件經過很多串并聯之后接入逆變器直流輸入端并經過逆變器的變換成交流電,再經過變壓器送入電網。而多塊光伏組件串并聯后構成光伏組串,布線復雜、支路多、距離長是光伏組串的特點,其發生直流接地故障概率非常高。故障現象多見于傳輸線路上,干燥情況下,一般不易發生,在下雨、天氣潮濕天氣中,問題暴露較為明顯。
2.光伏場區故障原因
由于大型光伏電站項目的特殊性,上網電價受并網時間的影響這造成工期緊、任務重。同時光伏電站占地面積大,施工過程中工作點多面廣。光伏電站建設時多用閑置荒地、山地作為組件安裝地點存在施工難度大的特點。
電纜溝回填時,由于部分區域取沙困難,施工方直接使用電纜溝附近的石塊回填,導致電纜絕緣損傷,造成低壓電纜接地故障或斷線:施工過程中,電纜放線未使用滑輪,而是拖拽電纜,地面的石塊容易劃傷低壓電纜,電纜埋入地下后,隨著雨水侵入或土地的不均勻沉降,造成低壓電纜接地故障或斷線:組件安裝工人為當地農民,缺乏安裝經驗,光伏組件安裝時,將組件線纜擠壓在組件與光伏支架間,隨著運行時間的增長,組件線纜被擠壓絕緣破損;設備制造單位制造工期短、任務緊,易采購到質量較差的元器件,經過大電流運行后,元器件易損壞。以上是光伏場區發生故障的主要原因。
3.光伏場區的主要故障
無論采用集中式逆變器還是采用組串式逆變器,光伏電站*多的設備就是光伏組件,一座50MWp的光伏電站,若采用275Wp規格的光伏組件需要182900余塊。巨大數量的光伏組件,以及串抵押電纜的光伏組件成為光伏發電系統中故障率*高的設備。“絕緣阻抗異常"成為光伏電站*常見的故障,該故障輕則導致帶由故障組件串支路的逆變器告警運行,或停機且不能自動并網,嚴重則可導致故障點放電引發火災或人身觸電事故。因此,若發生“絕緣阻抗異常"故障,及時發現并消除。查找“絕緣阻抗異常"故障點的方法是消除該故障的關鍵。
當今市面上運行的光伏逆變器大多數具有直流側絕緣監測功能,當逆變器直流側系統發生接地故障時,逆變器都能夠檢測出正極或負極絕緣異常,并且通過光伏電站布置的通信系統,將故障報警信號發送至電站中央控制室的后臺監控計算機上。但逆變器不能判斷出具體的故障點,更不能及時做出故障隔離,因此后續的故障點查找就需要人工完成。
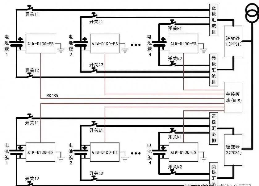
4.產品應用
儲能系統的架構決定了系統中不能多個絕緣監測模塊同時工作,否則會因相互干擾,導致誤報,使得系統無法運行。該示例中,系統采用主控模塊來控制各絕緣監測儀的工作,采用分時控制策略,保證同一時間內只1只絕緣監測儀在工作,各個絕緣監測儀之間不會相互干擾的同時,保證儲能系統時刻都能進行絕緣監測,保障系統的安全性、穩定性和可靠性。

5.產品簡介
AIM-D100-ES 型直流絕緣監測儀主要用于在線監測直流不接地系統正負極對地絕緣電阻,當絕緣電阻低于設定值時,能發出預警和報警信號。產品可測 100-1500V 的直流系統,可應用于儲能直流系統、電動汽車充電裝置、UPS供電系統、光伏直流系統、直流電網等直流系統的絕緣監測。
儀表具體的接線端子和典型接線如下所示:

6.結語
光伏發電系統布線復雜、支路多、距離長,不可避免的會有嚙齒類動物咬破電纜、線纜自然老化、施工質量或外力等因素而導致線纜絕緣層的破壞,使光伏線纜正極或負極對地間的絕緣電阻值降低至某一規定值出現直流接地故障。直流接地會造成逆變器停機,無法正常工作,直接影響了光伏電場的發電量和經濟效益,因此直流接地故障發生后要及時排除。
安科瑞AIM直流絕緣監測儀可在線監測直流系統對地阻抗,及時發現電池簇阻抗下降的情況,并且可根據組策略判斷故障電池簇,方便維保人員處理。
蘇公網安備32028102003554號